|
SL型1-10噸手動單梁起重機

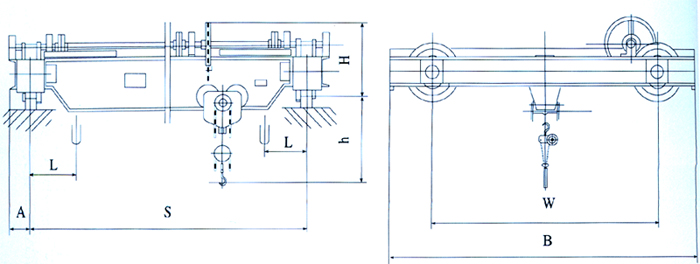
手動單梁起重機是由橋梁、大車傳動機構、手動單軌行車等主要部分組成,大車行車及貨物起重均用手拉鏈條驅動。
本產品主要用于無電源或工作不繁忙的廠礦、碼頭、電站、倉庫及車間在固定跨間作裝卸,吊運重物及檢修設備等。
本產品起重量有1、2、3.2、5及10噸五種,跨度有5-14米。
|
起重量 |
跨度 |
起重高度 |
鋼軌度 |
基本尺寸 |
吊鉤極限尺寸 |
曳引力 |
大車輪壓 |
總 |
|
|
|
|
|
| W |
B |
H |
A |
h |
L |
起重 |
小車 |
大車 |
|
|
|
不大于 |
|
t |
m |
|
|
mm |
|
KN |
t |
| 1 |
5 |
1.5-10 |
40;50 |
1200 |
1800 |
559 |
145 |
500 |
360 |
21 |
6 |
10 |
6.4 |
0.85 |
|
6 |
6.6 |
0.88 |
|
7 |
580 |
380 |
6.8 |
0.94 |
|
7.5 |
7.0 |
0.96 |
|
8 |
7.2 |
1.02 |
|
9 |
7.4 |
1.06 |
|
10 |
1600 |
2200 |
610 |
395 |
7.6 |
1.15 |
|
10.5 |
7.8 |
1.24 |
|
11 |
7.9 |
1.26 |
|
12 |
8.1 |
1.31 |
|
13 |
650 |
420 |
8.4 |
1.49 |
|
13.5 |
8.5 |
1.67 |
|
14 |
8.6 |
1.74 |
| 2 |
5 |
1200 |
1800 |
559 |
145 |
720 |
400 |
33 |
12 |
15 |
11.0 |
0.89 |
|
6 |
11.3 |
0.96 |
|
7 |
750 |
415 |
11.7 |
1.01 |
|
7.5 |
11.8 |
1.04 |
|
8 |
11.9 |
1.1 |
|
9 |
790 |
440 |
12.3 |
1.2 |
|
10 |
1600 |
2200 |
12.6 |
1.28 |
|
10.5 |
12.7 |
1.28 |
|
11 |
12.9 |
1.43 |
|
12 |
830 |
465 |
13.3 |
1.59 |
|
13 |
13.8 |
1.77 |
|
13.5 |
870 |
490 |
13.9 |
2.0 |
|
14 |
14.0 |
2.05 |
| 3.2 |
5 |
3-10 |
1200 |
1800 |
559 |
145 |
900 |
460 |
35 |
14 |
18 |
17.1 |
0.99 |
|
6 |
17.4 |
1.04 |
|
7 |
940 |
485 |
18.0 |
1.2 |
|
7.5 |
18.1 |
1.18 |
|
8 |
18.3 |
1.23 |
|
9 |
18.6 |
1.36 |
|
10 |
1600 |
2200 |
18.9 |
1.44 |
|
10.5 |
980 |
510 |
19.2 |
1.61 |
|
11 |
19.4 |
1.66 |
|
12 |
19.7 |
1.9 |
|
13 |
1030 |
540 |
20.4 |
2 |
|
13.5 |
20.6 |
2.24 |
|
14 |
20.7 |
2.47 |
| 5 |
5 |
1200 |
1800 |
657 |
150 |
1210 |
520 |
38 |
18 |
20 |
25.2 |
1.15 |
|
6 |
25.9 |
1.22 |
|
7 |
1250 |
560 |
26.7 |
1.35 |
|
7.5 |
27.0 |
1.3 |
|
8 |
27.2 |
1.43 |
|
9 |
27.7 |
1.63 |
|
10 |
1600 |
2200 |
1300 |
585 |
28.3 |
1.74 |
|
10.5 |
28.5 |
1.83 |
|
11 |
28.8 |
2.05 |
|
12 |
1360 |
626 |
29.8 |
2.3 |
|
13 |
30.0 |
2.44 |
|
13.5 |
30.1 |
2.5 |
|
14 |
30.3 |
2.8 |
| 10 |
5 |
60;70 |
1800 |
2600 |
811 |
160 |
1390 |
555 |
38 |
20 |
25 |
48.9 |
1.54 |
|
6 |
50.2 |
1.72 |
|
7 |
1440 |
585 |
51.6 |
1.87 |
|
7.5 |
51.9 |
2.01 |
|
8 |
52.3 |
2.13 |
|
9 |
53.2 |
2.27 |
|
10 |
1490 |
615 |
54.1 |
2.44 |
|
10.5 |
54.6 |
2.5 |
|
11 |
55.1 |
2.8 |
|
12 |
56.4 |
3.24 |
|
13 |
1550 |
650 |
58.0 |
3.75 |
|
13.5 |
58.2 |
3.85 |
|
14 |
58.4 |
3.96 |
|